Navy Transmitting Control & Switchboard Info

Transmitting Key Info

sb-interconnect-01.JPG (180053 bytes)
Shipboard Transmitter & Receiver Switchboard Interconnections


SHORE STATION TRANSMITTER CONTROL CONSOLE

AN/FRQ-3

frq3-01.JPG (328807 bytes) Buskin Lake 1955
buskin-schwind-110307-06.jpg (341147 bytes)
Buskin Lake 1955
buskin-schwind-110307-08.jpg (253847 bytes)

TRANSMITTER REMOTE CONTROL UNITS

Transmitter control wiring

4-wire and 6-wire control info

xmtr-control-02.JPG (196155 bytes)
transmitter - radiophone control wiring
remote-control-01.jpg (320679 bytes)
radio system control wiring (rcvr, xmtr, key, audio, remote control, etc.)
  Fig. 10 Navy Standard 6-Wire Remote Control Unit.
standard 6-wire transmitter control

NT-23172 Radiophone unit
(4-wire)
ctl-23172-03.jpg (1642366 bytes)

ctl-23172-02.jpg (3161256 bytes) See here for spec sheets

ctl-23172-01.jpg (4083930 bytes)

NT-23211 Radiophone unit
(6-wire)
ctl-23211a-01.jpg (5380523 bytes)

NT-23211 Radiophone Set
(6-wire)

23211a-1602-04.jpg (288762 bytes) 23211a-1602-01.jpg (195072 bytes) 23211a-1602-02.jpg (335918 bytes)

This unit is contained in a housing suitable for bulkhead mounting, and is designed for use in place of Remote Radiophone Unit Navy Type-23500 in outside locations which are open to the weather. Access to the controls is obtained by opening the front cover, which is hinged to the unit. All controls are mounted on the front panel, including a handset. Located on the front panel are the following: MASTER START power on red indicator lamp; START ON-OFF switch controls; CARRIER ON green indicator lamp; ON-OFF KEY ORCUIT switch; NOISE SUPPRESSION NORMAL-ON switch; INCREASE EARPHONE LEVEL control; LOCAL CHEST MIC momentary panel talk switch; LOCAL CHEST MIC extension; LOCAL HEADSET jack; LOCAL CHEST SET jack.

23211a-1602-03.jpg (192606 bytes)

23211a-1602-05.jpg (292684 bytes) 23211a-1602-06.jpg (312041 bytes) 23211a-1602-07.jpg (267677 bytes)

23211a-1602-08.jpg (262254 bytes)

23211a-1602-09.jpg (252976 bytes)

23211a-1604-06.jpg (384141 bytes)

23211a-1604-01.jpg (242318 bytes) 23211a-1604-10.jpg (195136 bytes)

NT-23305 remote control unit
for TCE or TDE transmitters

cfn23305-26.JPG (80711 bytes)

cfn23305-25.JPG (56507 bytes) cfn23305-34.JPG (71228 bytes) Manuf - CFN Farnsworth
cfn23305-35.JPG (54940 bytes)

CNR-23442 transmitter control & keying unit
cnr23442-ctl-01.JPG (215517 bytes)
"For General Radio Use"

23442-01.JPG (138277 bytes)
"Remote-Local", "Local Test", "Remote Line", "Key Circuit", "Transmitter Remote" 
23442-04.JPG (187244 bytes)
Has 1 tube, several relays, and a time delay switch
cnr23442-control-94.jpg (61788 bytes)

cnr23442-control-91.jpg (65837 bytes)

cnr23442-control-92.jpg (72389 bytes) cnr23442-control-93.jpg (60279 bytes) cnr23442-control-95.jpg (64489 bytes)

Provides for starting and keying transmitter unit over a single pair, or one wire and ground. Transmitter starts when key is momentarily closed and remains on for a delayed time interval after last key impulse is transmitted. Key line resistance 35 DC ohms max; operates from 115/1/60. 9 watts standby, 18 watts operating, keying speed 50 words/minute. For general radio use.

NT-23445 Remote Channel Selector
remote-23211A-201.jpg (292831 bytes)

Remote Channel Selector System (CQC-23445, CQC-23497, CQC-20409) manual

The NT-23445 selector unit is contained in a cast aluminum housing which is suitable for bulkhead or top-of-table mounting. A telephone dial, synchro indicator, and an OFF-ON switch are mounted on the front panel. Also mounted on the front panel is a card holder containing a set of cards on which data regarding the ten channels may be marked. A terminal tube is supplied for the cable lead, which is attached at the bottom of the case when the unit is mounted on a bulkhead, and at the back of the case when the unit is mounted on a table top. This unit, when connected into the system for which it was designed, provides remote control for either TDZ or RDZ for selection of any channel in the controlled equipment. Refer to figure 3-30. When the OFF-ON switch, S301, is set to ON, the unit may be operated for control purposes. When the dial is moved in a clockwise direction to the finger stop, the off-normal contacts dose and remain closed until the dial returns to the normal position. When the dial is released, the impulse contacts open and close to pulse an associated loop circuit in the controlled equipment. The resistor network associated with the stepper switch K116 in the TDZ transmitter is energized through various relays, and returns to the M301 indicator the necessary intelligence to operate the receiver selsyn and indicate the channel selected. Setting switch S301 to the OFF position electrically removes this unit from the system.

NT-23496 control panel
control-23496-1207-01.jpg (598810 bytes)

control-23496-1207-02.jpg (424818 bytes) Controller for RDZ/TDZ channelized UHF receiver/transmitter
control-23496-1207-03.jpg (486772 bytes)

manuf CQC Admiral

cgc23496-05.jpg (29703 bytes)

See "Radium in Military Surplus Commodities" dated 1956:
https://pmc.ncbi.nlm.nih.gov/articles/PMC1919920/ 
Mentioned is US Navy type CQC-23496 Remote Control Indicator System.

All of the controls operated at this unit are mounted on the front panel. When the LOCAL/REMOTE switch, S106, mounted on the front of the TDZ Transmitter is set to REMOTE, the Control Indicator Unit may be operated. A START-STOP switch, S405, enables the transmitter to be energized or deenergized from a remote position. A red indicator lamp, I401, indicates when primary voltage is applied to the transmitter and this control unit. A key jack, J403, is provided on the front panel for the hand-key plug. Normally, MCW operation may be .accomplished only from a remote position. Two jacks, J401 and. J402, are employed for connecting a handset to the unit. RECEIVER switches S401 and S402 connects either the No. 1 RDZ/RDZ-1 or the No.2 RDZ/RDZ-1 to either or both handset jacks. Audio level controls R403 and R404 adjust the audio-level input to each of the handsets.
    A push-to-talk switch is provided on the handset for energizing the transmitter. Transformer T401 serves as the microphone input transformer, and capacitor C401 serves as a filter to isolate the d-c voltage from the audio circuit. The push-to-talk button energizes relay K401, which completes the circuit through the CARRIER ON indicator lamp, I402. This relay also disables the two speakers which may be connected to this control unit. A switch, S404, is provided to mute either one or both of the speakers.
    Channel selection for either of two receivers or a transmitter may be controlled from this unit. A telephone dial is provided for this purpose. When the unit selector switch, S403, is placed at either RECEIVER 1, RECEIVER 2, or TRANSMITTER position, the selected receiver or transmitter may be dialed for channel selection. The switch returns to its OFF or normal position after the selection is made. Three d-c selsyns, 1403, 1404, and 1405, are used to indicate which channel has been selected on any one of the receivers or transmitter. These d-c selsyns are identified with markings so that each may be associated with the. proper unit.

NT-23500 radiophone control unit
ctl-23500-1405-01.jpg (385378 bytes)

ctl-23500-1405-02.jpg (414754 bytes) ctl-23500-1405-03.jpg (439173 bytes) Precursor to C-1138/UR

See here for spec sheet

 

ctl-23500-1607-02.jpg (166106 bytes)

ctl-23500-1607-01.jpg (250538 bytes) ctl-23500-1607-03.jpg (247138 bytes) This unit is designed for use with Remote Channel Selector Navy Type -23445. It is installed in sheltered locations. Located on the front panel are the following: TRANSMITTER START-STOP button, POWER ON red indicator lamp, CARRIER ON green indicator lamp, KEY jack, HANDSET or HEADSET jacks, PUSH TO CUT SQUELCH button, and an EARPHONE LEVEL knob.

C-1004/SG
Teletype Control

c1004b-sg-92.jpg (67054 bytes)

c1004b-sg-91.jpg (84200 bytes) c1004bsg-01.JPG (57776 bytes)
  • shipboard use
  • located near TTY unit
  • turns xmtr off/on
  • selects AFSK (tone) or FSK (CFS)
  •  
  • manual NAVSHIPS 92279
  • wiring & operation info page
 

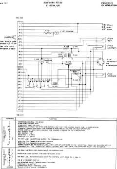
C-1138/UR
C-1138A/UR
Radio Set Control
c1138-1411-01.jpg (188430 bytes)

c1138-naut-01.JPG (108958 bytes)
C-1138/UR aboard USS Nautilus

Radiotelephone control panel - includes key jack and handset jack

c1138-ur-1301.jpg (30813 bytes)

c1138-1411-100.jpg (241342 bytes)

c1138-ur-1302.jpg (103017 bytes)

c1138-1411-101.jpg (296275 bytes)

Manual NAVSHIPS 93152 - pdf

Manual pages - 
    operation, schematic, etc.

c1138-02.jpg (270343 bytes)

C-1180/GRC-27 radio set control

need photo adapts GRC-27 to standard shipboard remote control NAVSHIPS 92175

C-1277/SR Transmitter Control

C-1277/SR
c1277-sr-01.jpg (48084 bytes)

Remote power control of  2 UHF transmitters - co-located with C-1138/UR or similar radiotelephone control box.

The C-1277 allows an operator to energize one or both transmitters (only one at a time if they are on the same frequency). It is suggested that the labels "No.1" and "No.2" be replaced by "FORE" and "AFT" after installation

c1277-sr-02.jpg (46627 bytes)

c1277-sr-03.jpg (77100 bytes)

C-1277/SR is used with Antenna AS-668/SR and Relay Assembly RE-156/SR. Two of these antennas, each fed by a separate UHF transmitter (such as the TED-9) are mounted shipboard so as to give omni-directional horizontal coverage. 

RE-156/SR
ant-re156a-1909-02.jpg (27417 bytes)

The C-1277 just has switches and indicator lamps while the RE-156 has the relays that actually control the two transmitters.

ant-re156a-1909-03.jpg (142378 bytes)

ant-re156a-1909-04.jpg (72978 bytes)

ant-re156a-1909-05.jpg (55263 bytes)

C-3868/SRC
c3868-1406-01.JPG (31200 bytes)

c3868-1406-02.JPG (33226 bytes) c3868-1406-03.JPG (44940 bytes) c3868-1406-04.JPG (40126 bytes)

c3868-1406-05.JPG (31320 bytes)

c3868-1406-06.JPG (27906 bytes) -- --

C-9044/URC-35 remote control

c9044-urc35-01.JPG (54545 bytes) c9044-urc35-02.JPG (42670 bytes) c9044-urc35-03.JPG (21218 bytes)

Used with AN/URC-35 transceiver

C-10206/URC-94 remote control
c10206-urc94-01.jpg (40921 bytes)

c10206-urc94-02.jpg (63051 bytes) c10206-urc94-03.jpg (64420 bytes) Used with AN/URC-94 transciver

C-11922/U Remote Control Unit

c11922-u-1506-01.JPG (102442 bytes) What equipment was this used with?  

TRANSMITTER AUDIO

AM-413/G
AM-413A/G
AM-413B/G
Speech Amp & Compressor

am413a-g-0211-1300.jpg (10478 bytes)

am413b-1408-01.jpg (219552 bytes)

am413-g-92.JPG (72570 bytes) am413-g-91.JPG (86157 bytes) AM-413/G manuf Harmon-Kardon
AM-413A/G manuf American Measuring Instruments

need more info - Please let me know if you have a manual I can borrow or buy

am413a-g-0211-1301.jpg (29506 bytes) am413a-g-0211-1302.jpg (44861 bytes) am413a-g-0211-1303.jpg (38287 bytes)

am413b-1408-02.jpg (227647 bytes)

am413b-1408-03.jpg (285087 bytes) -- ----

TRANSMITTER CONTROL PATCH PANELS & SWITCHBOARDS

bb55-xmt-ctl-05.JPG (190302 bytes)
WW2 - 11-line Radiophone patch panel
in Radio 1 (Radio Central)
BB-55 USS North Carolina

cords-1946-02.jpg (301833 bytes)

bb55-xmt-ctl-02.JPG (181166 bytes)
WW2 - 11-line Radiophone patch panel
in Radio 2 (Transmitter Room)
BB-55 USS North Carolina

slater-44.JPG (128912 bytes)
WW2 - 7-line patch panel
in Radio Room
DE-766 USS Slater

bb55-xmt-ctl-04.JPG (90380 bytes)

bb55-xmt-ctl-03.JPG (108533 bytes)
WW2 - 5-line Key control patch panel
in Radio 1 (Radio Central)
BB-55 USS North Carolina

bb55-xmt-ctl-01.JPG (251786 bytes)
WW2 - 5-line Key control patch panel
in Radio 2 (Transmitter Room)
BB-55 USS North Carolina

 

cords-1946.jpg (297971 bytes)

SB-83/SRT
transmitter transfer switchboard

sb83-torsk.JPG (28032 bytes)
SB-83/SRT aboard USS Torsk

sb83-srt-1403-02.JPG (198173 bytes)

5 transmitters, 10 remotes

sb83-srt-1403-01.JPG (344003 bytes)

These units switch 12-wire control signals -
  • Start
  • Stop
  • Indicator Lamp
  • Keying
  • 12v DC
  • Microphone
  • Carrier Control
  • Carrier Indicator

sb83-srt-42.JPG (4449785 bytes)

Spec Sheet - thanks to HNSA

sb83-srt-43.JPG (4361422 bytes)

sb83-srt-44.JPG (4464990 bytes)

SB-863/SRT

transmitter control switchboard - 19 transmitters, 10 remotes, 12 lines

SB-863 aboard BB-64
bb64-3245.JPG (4164738 bytes)

SB-863 aboard BB-64
bb64-rjl-03.jpg (403981 bytes)
 sb863-101.JPG (168626 bytes)
SB-863/SRT simplified schematic
showing 2 positions of 2 switches

Dave Cunningham repairing SB-863 on USS New Jersey - photo thanks to BNJARS     
xmtr-control-01.jpg (43776 bytes)

wires to terminal strips
sb863-1807-07.JPG (1459443 bytes)

rear of switches
sb863-1807-02.JPG (1323076 bytes)
switch wafers
sb863-1807-03.JPG (1305753 bytes)
switch wafer removed
sb863-1807-04.JPG (1240678 bytes)
switch wafer socket
sb863-1807-05.JPG (1671580 bytes)
sb863-srt-2009-01.jpg (243452 bytes) sb863-srt-2009-02.jpg (475048 bytes) sb863-srt-2009-03.jpg (519798 bytes) sb863-srt-2009-04.jpg (465364 bytes)

SB-988/SRT

transmitter control switchboard

6 transmitters, 10 remotes

SB-988/SRT manuf by Tabet
NAVSHIPS 93516
download

sb988-srt-1602-01.jpg (2882163 bytes) sb988-srt-1602-02.jpg (3670135 bytes) sb988-2111-0.jpeg (33725 bytes)

 

sb988-2111-1.jpeg (23608 bytes) sb988-2111-2.jpeg (34517 bytes) sb988-2111-3.jpeg (36643 bytes) sb988-2111-4.jpeg (17748 bytes)

SB-2744/SRT

10 transmitters, 16 remotes

sb2744-srt-2009-01.jpg (491863 bytes) sb2744-srt-2009-02.jpg (518795 bytes) sb2744-srt-2009-03.jpg (506194 bytes)

SA-770/UR Handset Switchbox

ta770_2429.JPG (2403889 bytes) sa770_2800.JPG (3983800 bytes) ta770_2430.JPG (2180688 bytes)